大家好,我是噩梦飘雷。
最近有朋友问我,你在测评SSD时候,为什么总是强调“SSD测试时插在直通CPU的M.2槽位”?这里的“直通CPU”是什么意思?
事实上,现在的主板上基本都有多个M.2 SSD插槽,虽然长得看似一样,但是实际插在不同槽位上,能发挥出的性能是不一样的,只有在直通CPU的时,SSD才能发挥完全的性能。
为什么会有这个差异?
要解释这个问题,首先我们要搞清楚电脑中的“总线”这一概念。
在计算机中,不同设备之间想要交互数据,必需通过计算机中用于通讯的“路”,也就是计算机中所称的“总线”。可以想象为不同城市之间运送货物的必需通过公路一样。我们常见的PCIe就是运行在CPU外部的总线的一种。
![]()
同时,就像公路有双车道、4车道、8车道之分一样,PCIe4.0、3.0、2.0等不同标准也是对于通道允许通过的数据速率的划分,单就速率上限而言,1XPCIe4.0=2XPCIe3.0=4XPCIe2.0。
在计算机中,需要与CPU通讯的设备有很多,比如内存、显卡、硬盘、键鼠外设、网卡声卡等。如果这些设备全都直接与CPU连通,那么对CPU的设计难度就太高了,同时对于设备的模块化要求也要成倍的提高,主板上的布线难度也会有指数级提升。
![]()
为了规避这个问题,就要减少直通CPU的设备数量,厂商给出的方案是通过主板上的南桥芯片组进行转接,就像是外部设备的交互中转站一样。
- 像显卡、内存等对延迟和带宽要求较高的设备肯定要保证和CPU直接通讯;
- 而像网卡声卡、键鼠外设等对性能要求不高的设备,则是由南桥芯片组进行管理,交互数据时都要通过南桥芯片组转接一手。CPU与南桥芯片组之间,则通过DMI通道进行连接。
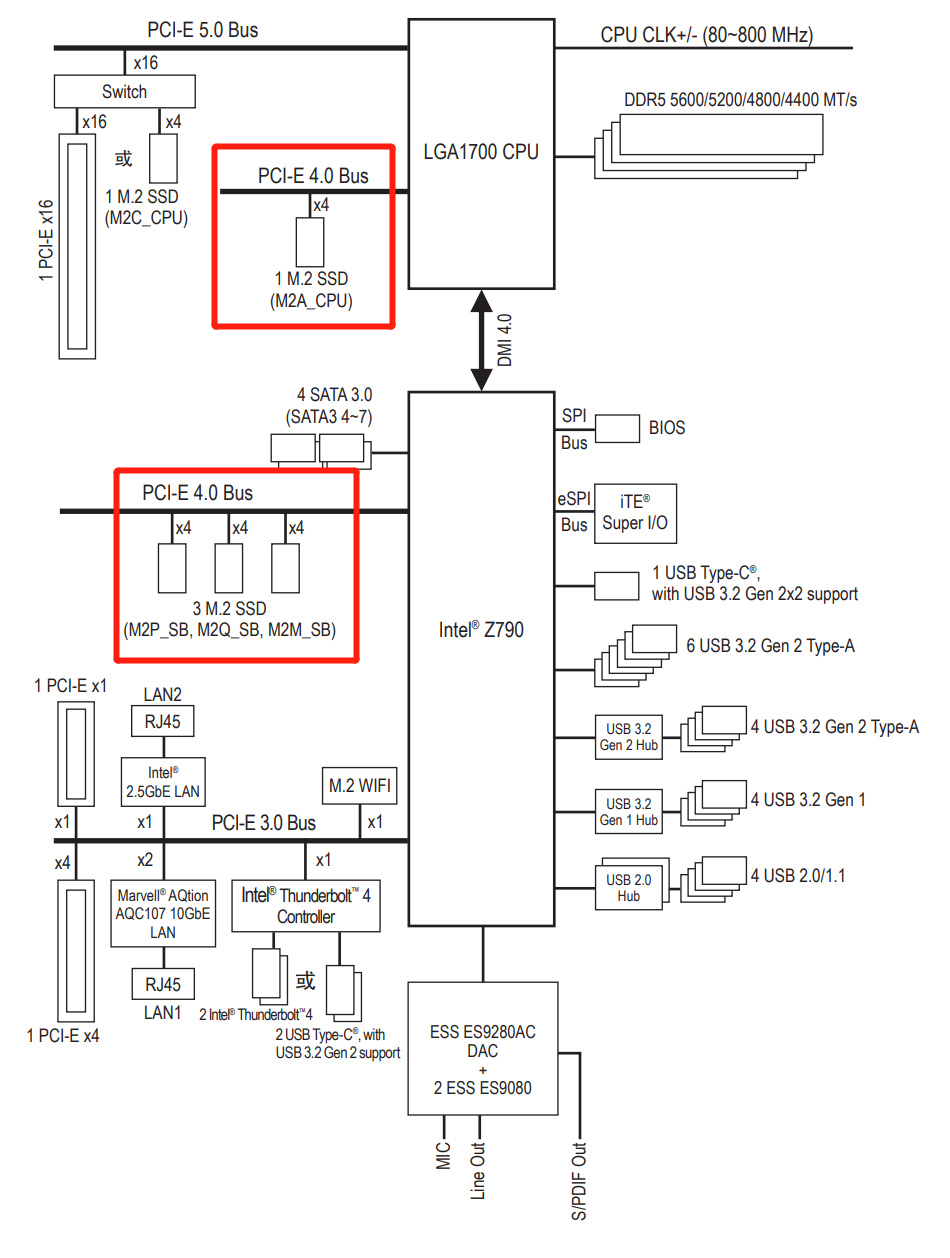
![]()
这是一张Intel Z790主板的功能线框图。可以发现,只有一个M.2槽位直通CPU,另外三个M.2槽位是由南桥芯片组转接而来。而为了便于主板布线,直通CPU的这个M.2槽位一般会放在最靠近CPU的位置。
我们用朴素的经验可以想象到,这就跟工程转包一样,第一手直通甲方的M.2槽位,其效率肯定要比转包商跟甲方沟通顺畅的多。
所以SSD插在南桥芯片组转接出的插槽上,其性能会受一些影响,就很好理解了。
SSD直通CPU与否,性能到底有何区别?
为了解决这个问题,我们来实际测试一下吧。
除了M.2插槽有直通CPU的区别之外,主板上的PCIe插槽也有这个问题,在Intel消费级主板中一般只有靠近CPU的那一条插槽才能直通CPU,部分AMD的消费级主板可能允许拆分成两条直通CPU的PCIe插槽。
![]()
所以在这里我随手找到一条采用M.2接口的爱国者P7000D 2T,
![]()
以及使用PCIe接口的傲腾900P 480G分别进行测试。
![]()
测试平台:
CPU:intel i5-13600K
主板:华硕ROG STRIX Z790-A GAMING WIFI吹雪 DDR5
内存:雷克沙 DDR5-6400 16GB X2
SSD:Intel 傲腾900P 480G、爱国者P7000D 2T
显卡:Intel UHD730
系统:Windows 11 Professional Edition
M.2插槽测试结果
首先将爱国者P7000D插在直通CPU的M.2插槽上,使用CrystalDiskMark测试的结果如下:
![]()
然后将其换到南桥芯片组转接处的M.2插槽上,使用CrystalDiskMark测试的结果如下:
![]()
可以看到顺序读写性能几乎没啥变化,基本可以看做是测试误差允许的范围内。但是4K随机读写性能则出现了明显差距,同时随机读写延迟也略微增加了一些。
将该项测试结果做成图表来对比,可以看得更加明显:
![]()
可以看到经过南桥芯片组转接后,爱国者P7000D的SLC缓内4K随机读写速度相差了10%左右。
由于CrystalDiskMark、AS SSD Benchmark或者TxBench等软件进行测试时,会先在SSD中生成一个测试用的文件,然后在该文件中进行读写测试,在读取测试过程中,这个刚刚生成的文件由于还处于SLC缓存中,4K随机读取性能会受到SLC缓存机制的加强,测试结果也是基于SLC缓存内的数据。
而我们打开软件或者游戏,用到的是SLC缓存空间之外、TLC区域内的4K随机读取性能:
![]()
所以我们继续分别测试爱国者P7000D在两个插槽下的SLC缓外4K随机读取性能,整理出图表如下:
![]()
可以看到,由于缓外4K随机读取性能本身不高,所以虽然性能有些差异,但是差异并不大,只有区区不到2MB/s而已。
PCIe插槽测试结果
首先将傲腾900P插在直通CPU的M.2插槽上,使用CrystalDiskMark测试的结果如下:
![]()
然后将其换到南桥芯片组转接处的M.2插槽上,使用CrystalDiskMark测试的结果如下:
![]()
顺序读写速度没啥区别,不过明显可以看出Q1T1单队列单线程下,直通CPU状态比通过南桥组芯片转接,4K随机读写速度都高了10%左右,并且延迟也各增加了1us多点。
同样整理出图表,可以看得更直观一些:
![]()
由于傲腾900P使用3D Xpoint原理,与普通NAND FLASH固态硬盘原理不同,所以不存在缓外缓内的性能差异,这里就不再做其他测试了。
总结
经过实际测试我们终于能得出结论了:
SSD直通CPU的情况下,其4K随机读写性能要比通过南桥芯片组转接强了10%左右,不过顺序读写速度并无差异。
所以建议大家尽量将SSD(尤其是系统盘)优先插在最靠近CPU的插槽上,这样才能完全发挥SSD的最强性能。
甭管能不能用得出区别,起码有性能咱不用,就是亏了~
好了,以上就是本期的全部内容,如果本文对您有所帮助的话,还请来个点赞收藏关注三连,您的支持就是我持续创作的最大动力!我是飘雷,祝你幸福~

更多游戏资讯请关注:电玩帮游戏资讯专区
电玩帮图文攻略 www.vgover.com
