![]()
基本信息
代号:大象(Elephant)
地点:瓦特社区大学(Watt Community College)
地址:瓦特社区大学,化学楼,瓦特海滩(Watt Community College, Chemistry Wing, Watt Beach)
时刻:0930
任务目标
恢复现场秩序
逮捕或制服现场所有目标。
营救所有平民
拘捕现场所有未携带武器的目标。
化解炸弹威胁
拆除现场所有炸弹。预计剩余时间:10分钟
任务形势
有人报告在一所社区大学发生了现场枪击事件。时间紧迫,行动要快。
任务简报
领队:好了,大家安静下来,听好了。瓦特社区大学校园里有持枪歹徒。据我们目前所知,他们待在科学楼里,但我们都知道形势会有所改变。我们收到了很多报告,目前我们确认有受害者,有的已经死亡,有的还活着。我们不能再耽误了。
警员:有多少名枪手?
领队:我们也不清楚。多份报告的内容存在差异,但我们确定至少有两名持枪歹徒,可能还有更多。两名校园保安正在现场。我们不知道他们在哪里,但我们已经获取了他们的详细资料,其中一名以前在 LSPD 工作过。
警员:我们联系上他们了吗?
领队:没有,我们是根据其中一名报警者提供的信息得知这个情报的,现在不能再耽误下去了。我们得尽快封锁科学楼,然后接近他们。希望你们都做好准备。目前我们正在根据接到的电话和来电者所在的房间寻找可能的位置,但要尽快采取行动。如果无法获取更多情报,就得直接采取行动。
警员:入口在哪里?
领队:科学楼有三个主要入口。我想一次性占领这三个入口,绝不能让歹徒逃出去。我们也派了警察封锁校园,做好必要的工作。相信你们这群小伙子都明白,这回要格杀勿论。那些混蛋在射杀学生。我孩子上的就是这所大学,妈的。
平民
雅各布·布莱尔
安东尼奥·伊巴内兹
媒体
监控视频图像
![]()
显示枪手从建筑物正前方进入化学系的监控视频画面。
学生照片
![]()
由一名学生在柜子内视角拍摄的照片,显示枪手在走廊中游荡。照片中枪手身形并未清晰展示,但其似乎持有某种类型的步枪。
音频
瓦特社区大学911通话 01
一名女学生打来的911报警电话。
911接线员:这里是 911,这通电话正在被录音。请问你遇到了什么紧急情况?
911接线员:请问你遇到了什么紧急情况?
报警人:我需要帮助。
911接线员:你能告诉我出什么事了吗?
报警人:我躲起来了。有血,好多血。
911接线员:好的,我需要你保持冷静。你知道你在哪里吗?
报警人:不,他们不知道。
911接线员:不,我是说你在哪里?
报警人:我躲起来了。我躲在柜子里。他们刚才一进来就开枪。
911接线员:好的,很好。柜子在哪里?
报警人:在教室里。
911接线员:你做得很好。所以你在学校。哪所学校?
报警人:瓦特大学。求你们快来救我。我不想死。
911接线员:我需要你保持冷静。警察已经在路上了,好吗?他们马上就到。你继续待在原地。
报警人:我不想待在这里了。求你们别让我死。
911接线员:保持冷静,待在原地。枪手在附近吗?
报警人:我不知道。别让我往外看。
911接线员:女士,女士,我不是要你这么做。你待在原地别动。
报警人:天啊。
911接线员:女士?
报警人:他们回来了。
911接线员:保持冷静。我就在你身边。
报警人:万福玛利亚,充满恩宠者,主与你同在……
报警人:不,求你了,不要!
瓦特社区大学911通话 02
一名男学生打来的911报警电话,他称自己受到了重伤。
911接线员:这里是911,这通电话正在被录音。请问你遇到了什么紧急情况?
报警人:有人向我开枪。
911接线员:好的,你能告诉我你的位置吗?
报警人:我在瓦特社区大学。有三个人闯进科学楼后开枪。
911接线员:他们现在在哪里?
报警人:我不知道。这里到处都是尸体。请快点派人来帮忙。
911接线员:LSPD 马上就到,先生。我需要你保持冷静。你能告诉我你伤得有多重吗?
报警人:他们……他们朝我的背后开枪。我试着逃跑。我流血了,我没办法……天啊,我的腿动不了。
911接线员:一切都会没事的。保持冷静。别担心,救援马上就到。
报警人:你能保证吗?
911接线员:LSPD 正在路上,先生。急救人员也会一同前往。保持冷静,如果可以的话,找个地方躲起来。
报警人:我忘了告诉我妈妈我爱她。我总是在出门前告诉她我爱她,但是……今天我没这么做。天啊,天啊。太痛了。
911接线员:尽量保持冷静。你叫什么名字?
报警人:乔治。
911接线员:好的,乔治。保持冷静。不要发出任何声音,也不要引起其他人的注意。
报警人:他们在哪里?
911接线员:谁,那些枪手吗?他们回来了吗?
报警人:我是说警察。他们在哪里?
911接线员:LSPD 正在路上。我保证,但是听我说,乔治。你得保持安静。
报警人:天啊。对不起,妈妈,对不起。我爱你。
911接线员:乔治,乔治,你能听到我说话吗?乔治!
瓦特社区大学911通话 03
校园里的一名咖啡馆服务员打来的911报警电话。
911接线员:这里是 911,这通电话正在被录音。请问你遇到了什么紧急情况?
报警人:我需要警察。你得马上派警察过来。
911接线员:好的,女士,你能告诉我你的位置吗?
报警人:嗯,好,我在瓦特社区大学校园。有人在开枪。我不知道是怎么回事。但他们让我报警。
911接线员:谁让你报警?
报警人:来过这里的警官。我是说保安。他们听到枪声后就让我报警,然后他们跑去帮忙了。
911接线员:你能告诉我你的名字吗?
报警人:我叫莎拉,莎拉·钱伯斯。
911接线员:好的,莎拉,告诉我发生了什么。
报警人:有人在学校里开枪!
911接线员:警察已经在路上了。你能看到枪手吗?
报警人:不,不,他们不在这里。他们在其中一栋楼里。我只是在咖啡亭工作。我不知道是怎么回事。
911接线员:没关系。你安全就好。你知道有多少名枪手吗?
报警人:不知道,抱歉。我什么都不知道。保安像往常一样早上过来点了咖啡,当时,我们都听到了一些声音。听起来像鞭炮声,但离得很远。保安放下咖啡,让我打911,然后他们就过去了。
911接线员:很好,莎拉,你做得很好。我刚刚说了,LSPD 正在路上。我们不知道到底有多少名持枪歹徒,所以你们得找个避难所。
报警人:我可以躲在这里,这附近没有人。但是求你们快点。
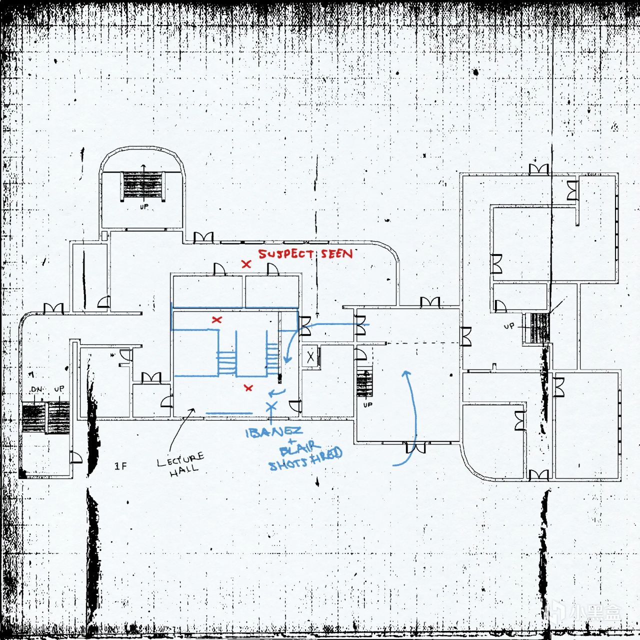
任务平面图
![]()
化学地图1楼
![]()
化学地图2楼
证物
抗抑郁药物
![]()
洛斯苏埃诺斯作为许多遭受创伤和精神虐待的人们赖以生存的城市,被诊断患有心理健康相关疾病的居民比例达到了惊人的 36%。这一比例的增长很大程度上与私有化治疗费用飙升有关,与此同时更便利的医疗渠道却因为缺乏资源而吃紧。在瓦特社区大学大屠杀发生后,艾伯特刘和阿尔希·泽姆的体内都发现了卡索普兰抗抑郁药物的踪迹。这些事件的发生在全国范围内引发了关于心理健康的讨论。
蒂莉的包
![]()
蒂莉在瓦特社区大学进修了一年心理学,志愿是成为一名心理治疗师,因为她注意到她身边的许多人和这座城市的居民们的心理健康状况都在逐渐恶化。看到心理健康问题遭到污名化和忽视,蒂莉将帮助他人的梦想视作终身目标。但很遗憾,她等不到梦想成真的那一天了。
恢复的社交平台讯息
![]()
阿尔希·泽姆在事件发生前发布的最后一条消息。LSPD 在袭击发生的那天恢复了其账号在马里布社交平台上发布的讯息。
证物解析
中文翻译:
阿尔希·泽姆 | 9小时前发布 看起来这就是终点,最后一次████████████*(推测:忏悔)。但对我所爱的人,尤其是家人,这从来都不该是这样。我今天将要做的事,将震撼整个国家。那些████████████(推测:统治这个国家/土地的人)的人,从未关心过我们,也永远不会。我们的头脑在████████████(推测:自我厌恶 / 无知)中腐烂。无路可逃,我们这些在这地狱中徘徊的人早已被某个████████████(推测:设计这个体系的人)注定,而我们现在只是加快了这个过程。这个国家每天都在螺旋下坠,最终注定走向████████████(推测:沉沦 / 湮灭)。我很可能明天就会死,希望是在警察到来时的枪林弹雨中死去。也许我们还能在最初的屠杀之后带走一些████████████(推测:混蛋)。
献给蔡斯与阿尔伯特,████████████(推测:你对我来说就像兄弟),我将永远████████████(推测:感激 )你们为我所做的一切。想到今天将是我最后一次看到你们的脸庞、笑容与笑声,这让我心痛。
舞台已布置完毕,那些曾经伤害我们的人,你们将████████████(推测:受苦 / 灭亡)*
此贴因违反服务条款与社区指南已被举报并移除。
allisterr_b:我靠我认识这人,他干出这种事??
chlo.x:这种事永远都不会停止我发誓
StoryofMuni:沦落到校园扫射才觉得有价值,咱这代人彻底完了
MWayne12:该死,为那些死去的人默哀,去他妈的这家伙 🧡
Unknown22390:希望他们当场击毙了这个狗东西™
任务细节
几名枪手中可以确定至少有两人患有抑郁症。当你活捉嫌疑人时,有时可以听到他们说“终于结束了”,或者他们会开始哭泣。任务完成后可以在证物室发现抗抑郁药物。据提及,阿尔伯特·刘(Albert Liu)和阿奇·泽姆(Archie Zem)体内都检测出了卡索普仑(Kasonopram)抗抑郁药。
托马斯·鲁德斯(Thomas Rudes)的儿子在这次事件中被嫌疑犯杀害导致他在工作中精神崩溃,并最终辞职,在证物室中关于这次事件的证物箱的标签上能看到有被托马斯·鲁德斯所写上的“MY LITTLE BOY(我的小儿子)”,在其他位置则写满了“**** IT(他妈的)”。上面的文字有被眼泪浸湿的痕迹,足以说明托马斯·鲁德斯(Thomas Rudes)非常的悲痛欲绝。
在任务“拿人手软(2025年10月25日1135任务“拿人手软”)”中可以看到一个为受害者家属募捐的捐款箱。这透露出至少八名平民在这次事件中丧生,但根据社会对该袭击的反应来看,实际人数更多。
任务可能参考了2003年同名电影《大象》,而这部电影又是根据真实的哥伦拜恩校园事件改编的。
电影名与任务名相同。
一名嫌疑人的外貌与电影中的亚历克斯(Alex)相似。
电影中的学校名为“瓦特高中”,与任务中学校名相似。
在 暗流涌动DLC 更新后的警察局可以发现的一本宣传册,上面写着瓦特社区学院将于2028年某个时间重新开放。
更多游戏资讯请关注:电玩帮游戏资讯专区
电玩帮图文攻略 www.vgover.com
