前言
一个多月前,AMD发布了基于Zen5架构的9000系列处理器,让一众DIY玩家都颇为兴奋,不过略有遗憾的是,当时与Zen 5处理器配套的X800系列主板并未同步发售。
![]()
而在前几天,各大主板厂商都上市了自家的旗舰级X870E主板,我也从朋友处借到了一张技嘉X870E AORUS MASTER 超级雕,今天就为大家详细拆解测试一番,希望能对大家起到参考作用。
![]()
外观&配件
前言
一个多月前,AMD发布了基于Zen5架构的9000系列处理器,让一众DIY玩家都颇为兴奋,不过略有遗憾的是,当时与Zen 5处理器配套的X800系列主板并未同步发售。
![]()
而在前几天,各大主板厂商都上市了自家的旗舰级X870E主板,我也从朋友处借到了一张技嘉X870E AORUS MASTER 超级雕,今天就为大家详细拆解测试一番,希望能对大家起到参考作用。
![]()
外观&配件
技嘉X870E超级雕主板搭载了两个经过金属加固的8pin接口来为CPU供电,目的还是为了增加耐久性,好评。
![]()
前面说到,这块主板采用 16+2+2相的供电方案,其中16相为CPU核心供电,2相为核显供电,2相为外围供电。
将该部分的散热装甲拆下来可以看到,装甲底部通过导热垫对Dr.MOS进行散热,并且还采用了8mm热管来强化散热效率,保证了高功耗长时间使用时的稳定性。
![]()
核心和核显供电由一枚英飞凌Infineon XDPE192C3B PWM芯片控制,这枚芯片最高可以提供12相双通道供电,其中核心供电部分,是将其中8相并联为16相,另外有2相负责核显供电。
![]()
核心供电的Dr.MOS采用了16颗英飞凌 PMC41430,最高可输出110A电流,这规格相当高了。
![]()
![]()
核显供电的Dr.MOS有所不同,使用了2颗英飞凌 PMC41410,规格略低,最大可输出80A的电流,不过也是完全足够用了。
![]()
外围供电部分则由一枚立琦 RT3672EE控制,2相供电设计,这颗芯片隐藏在第一条M.2 SSD的下方,不仔细找还真的找不到。
在主板正面的整个下半部分,M.2 SSD槽位和右下方的芯片组都被巨大的一体式散热装甲覆盖,堆料颇为豪奢。
![]()
尤其是最靠近CPU的第一个M.2槽位,高度几乎快与IO区域的装甲齐平了,多槽位的设计同样增大了散热面积,用来压制发热巨大的PCIe5.0 SSD。
![]()
而另外三个M.2槽位则共用一张硕大的磁吸散热装甲,配合磁吸和快易拆设计,安装非常方便,这一点会在接下来详细展示。
![]()
扩展性能丰富
技嘉X870E超级雕提供了3条全长的PCIe x16插槽,其中第一条插槽直连CPU,支持PCIe5.0 x16的满速,并且做了前后金属加固处理,很醒目。
![]()
其余两条PCIe插槽通过芯片组转接而来,其中第二条插槽支持PCIe4.0 x4速率,第三条支持PCIe3.0 x4速率。
![]()
在M.2 SSD接口方面,技嘉X870E超级雕共计提供了4个M.2 SSD插槽,并且有3条都为直通CPU的PCIe5.0 x4规格,另外1条为芯片组转接的PCIe4.0 x4,这个方案有点激进,不过倒是特别适合我这类SSD发烧友。
![]()
按自上而下的顺序,第一、三、四M.2插槽为直连CPU的PCIe5.0 x4接口,第二条为芯片组转接而来,支持PCIe4.0 x4速率。
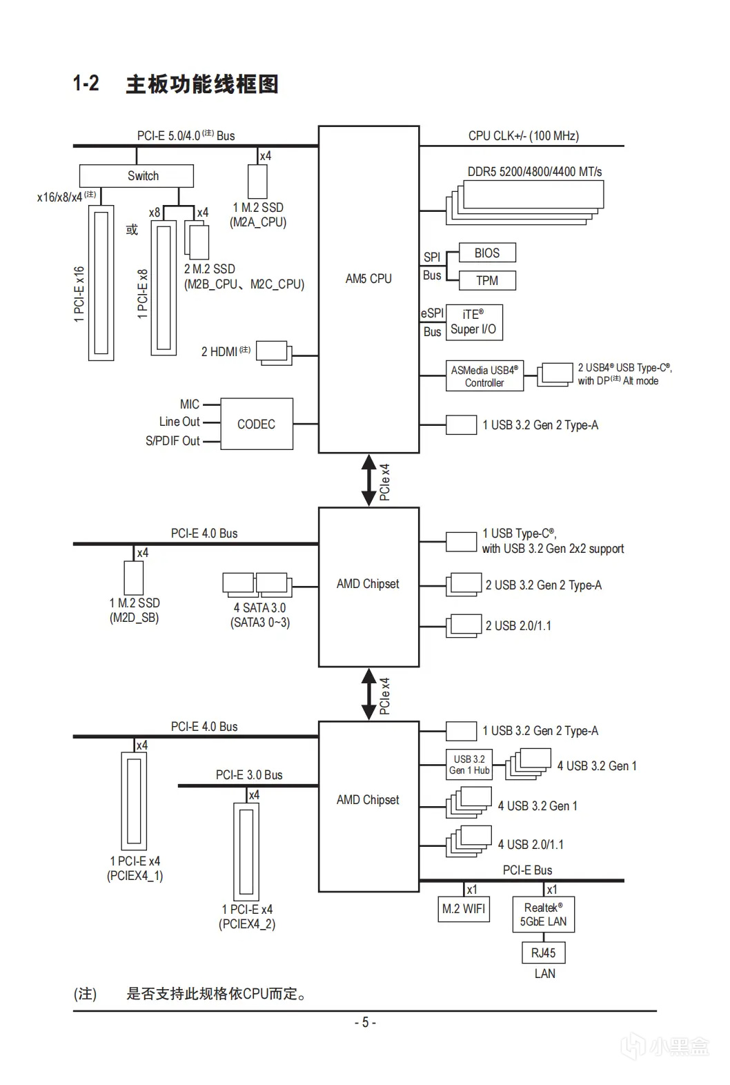
我们都知道,AMD 9000系CPU默认只提供了24条PCIe 5.0通道,那这块主板是如何实现3个直通CPU的PCIe5.0 x4 M.2接口的呢?关于这个通道分配方案很值得讲一讲,
![]()
从产品手册提供的主板功能图中可以看到,最靠近CPU的M.2接口使用了CPU自带的4条PCIe5.0通道,但是第3个、第4个M.2接口实际上是与显卡使用的PCIe5.0 x16的槽位共享了带宽。
![]()
当SSD插入这俩槽位之一时,主板会自动将显卡的x16通道拆分为x8+x4+x4,其中x8通道还是给显卡用,其余两条x4通道就分配给了M.2 SSD。
有的朋友可能担心,这样通道拆分会不会耽误显卡性能发挥?其实不必担心,毕竟就算是4090显卡,在PCIe5.0 x8的通道下也不会损失啥性能,完全够用了。
当然咯,在可能的情况下,最好还是优先把SSD插到最靠近CPU的M.2接口上,虽然没啥影响,不过能不拆就不拆呗。
另外一个PCIe4.0 x4的M.2接口是由第一个南桥芯片引出的,这个接口咱们把优先级放到其他接口后面比较合适。
![]()
继续来介绍其他扩展接口,在技嘉X870E超级雕的24pin主板供电接口下方,依次为用来连接机箱副屏的HDMI 1.4接口(支持1080P 30Hz),以及20Gbps速率的前置USB 3.2 Gen2x2接口。
![]()
继续往下看,这里还有横置的4个SATA接口、USB3.2 Gen 1接口、以及3个4pin的12V风扇接口。
![]()
在主板底部,自左向右搭载了前置音频接口、2个 ARGB插针、1个RGB LED灯条电源接口、1个噪音检测器接口、1个安全加密模块接口、2个前置USB 2.0/1.1接口、1个USB3.2 Gen 1接口、3个4pin风扇接口和主板跳线接口。
![]()
![]()
说起4pin风扇接口,技嘉X870E超级雕这块主板给的还真不少,刚才讲了,主板底部给了3个,右下侧面给了3个,再加上右上角的2个,共计8个接口已经很富余了。
![]()
最后来看看背部IO接口区域,这里采用了一体式挡板设计,并且在挡板上还有部分通风空位。别看这几个通风孔不起眼,但配合这里硕大的鳍片式散热装甲,能明显提高散热效果。
![]()
具体来说,IO接口方面还是挺丰富的,自左向右依次为1个CLEAR COMS按钮,1个Q-Flash Plus按钮,1个HDMI 2.1视频接口,2个USB 2.0接口,4个USB 3.2 Gen 2 Type-A接口,4个USB 3.2 Gen 1接口,2个40Gbps速率的USB4 Type-C接口,一个5Gbps有线网口,WIFI 7天线快插接口,2个3.5mm音频接口和1个数字光纤输出接口。
主板拆解
技嘉X870E超级雕供电部分的芯片我们在刚才已经看过了,接下来我们对这块主板进行进一步的拆解。
![]()
技嘉X870E超级雕搭载了两颗芯片组芯片,使用的依然是上一代的祥硕Promontory 21,并且两颗芯片使用了串联的方式。X870与X870E的区别就在于此,如果是1颗祥硕Promontory 21就是X870芯片组,两颗才是X870E。
![]()
祥硕Promontory 21芯片可以提供4条PCIE4.0的上行,用来负责和CPU或者上级芯片组进行数据交互,同时每颗祥硕Promontory 21可以提供8条PCIe4.0的下行通道、4条PCIe3.0或者SATA的复用通道、6条10G的USB组合通道和6个USB2.0通道。
![]()
由于两颗芯片组芯片是以菊花链的方式串联,所以第一颗芯片需要再拿出4条PCIe4.0 X4与第二颗芯片通信,于是第一颗只剩下4条可用的PCIe4.0下行通道。不过第二颗芯片又多了8条下行通道,所以两颗芯片组芯片合计能提供4+8=12条用于扩展的PCIe 4.0通道。
![]()
相较而言,单颗芯片组的X870只能提供8条PCIe 4.0通道,在扩展性方面,还是有两颗芯片组的X870E更占优势,多出了4条PCIe 4.0通道、4条PCIe3.0通道、6条10G的USB组合通道和6个USB2.0通道。
由于扩展性能充裕,技嘉X870E超级雕通过祥硕 ASM4242主控芯片扩展出2个USB4 Type-C接口,并且支持100W快充和DP协议视频输出,还可以兼容雷电3和USB 3.2 Gen2x2等模式。
![]()
技嘉X870E超级雕搭载了高通QCBCM865这款WiFi 7无线网卡,支持 6 GHz、5 GHz 和 2.4 GHz三种频段和320 MHz频宽,峰值速率可以达到5.8Gbps。另外,高通QCBCM865应当是罕见的目前在Windows11中能实现MLO带宽叠加功能的网卡,这一点要给好评,之后我会配合新入手的WiFi 7路由器详细测评一下。
![]()
有线网卡方面,技嘉X870E超级雕板载了Realtek RTL8126,这枚网卡支持最高5Gbps网络连接速率,适合连接家中的NAS或者其他存储设备,实现更快速的数据交互。
![]()
板载声卡为瑞昱的ALC1220芯片,搭配WIMA发烧级电容器和柱形音频电容,音质相当不错。另外技嘉X870E超级雕还支持DTS:X Ultra功能,游戏时环绕音效更加逼真。
![]()
![]()
快易拆设计,DIY更轻松
技嘉在X870E超级雕上采用的快易拆设计值得单独拿出一节来详细介绍,毕竟免工具安装真的是太爽了,让装机过程舒心了许多。
首先要介绍的就是全新采用的WiFi天线快装设计,这一点我特别喜欢,让我们再也不用慢吞吞的手拧天线螺丝了,直接一插就能连接天线,特别方便,磁吸的天线底座也方便在金属机箱上固定。

4个M.2插槽位置也采用了M.2 EZ-Latch Plus免螺丝快拆设计,直接按下就可固定SSD,拆卸的时候只需要手指一拨就能弹起SSD,在空间狭窄的机箱里尤为实用。

SSD的散热装甲也支持快拆快装设计,与安装SSD时类似,只需轻轻按一下就能固定、拨一下就能拆卸。


值得一提的是,第2-4个M.2 SSD的散热装甲还有磁吸功能,在安装时能迅速定位卡榫,实现一键安装,拆卸时同样也能轻松单手取下。


显卡的快拆功能也不能少,在主板右侧、内存条下方,设置有一枚PCI-E EZ-Latch Plus 快拆按钮,按下这个按钮的同时,显卡PCIe插槽的的固定挡片即可解锁。
![]()
有过更换显卡经历的朋友应该都知道,这个功能极为实用,插拔显卡更流畅。

上机测试
![]()
将拆解下的散热装甲全部按原样装回技嘉X870E超级雕,接下来还要对其进行实际上机测试。这里使用的测试平台配置如下:
处理器:AMD Ryzen 9 9950X
主板:技嘉 X870E AORUS MASTER 超级雕
内存:金百达 DDR5 6000
显卡:技嘉魔鹰 AMD RADEON RX 7900XTX Gaming OC
硬盘:致态 TiPro7000 1TB
散热器:九州风神AG620大霜塔数显版
电源:美商海盗船 RM1000x 1000W
按理说,对于技嘉X870E超级雕这块旗舰主板,应当搭配AMD目前最高端的锐龙 9950X来测试来着,不过我在PDD买的9950X在国庆期间发货速度实在是太慢,实在等不及了,就去京东自营买了一块次旗舰的9900X。
![]()
这颗CPU的价格目前在3000元多些,全大核设计,12核心24线程的性能非常强悍,在9000系列CPU里应当是性价比数一数二的型号了。
![]()
好在显卡方面,我手头倒是正好有一张技嘉魔鹰7900XTX,这下板U显卡三大件都是AMD家的旗舰型号,也算是团团圆圆了。
![]()
BIOS简介
技嘉主板的BIOS在易用性方面做得越来越好了,默认显示的是简易模式,界面简洁但是信息挺全,像常用的XMP/EXPO一键超频、内存高频宽模式设置等功能都能轻松实现,比较适合新手小白朋友。
![]()
按F2进入高级模式后,可设置选项更加丰富,菜单逻辑也很明晰,比如我们想给CPU或者内存手动超频时就要来这里,适合DIY老鸟使用。
![]()
技嘉针对AMD PBO功能进行了加强,推出了PBO Enhancement功能,包含了常用的PBO超频设定。根据我们日常使用能接受的CPU最高温度,PBO Enhancement划分出了70、80、90三个主要挡位。而每个档位下又根据负压提频幅度划分出5个等级,Level 5提频幅度最大,Level 1最小。
![]()
内存超频方面,最有代表性的应该就是技嘉的DDR5自动超频功能和XMP/EXPO高频宽黑科技了,尤其是后者,本质上就是由主板来帮我们自动调整内存小参,以实现更高的带宽、更低的延迟,新手小白也能轻松玩转内存精调。
![]()
在使用EXPO一键超频后,“XMP/EXPO高频宽”功能就可以启用了。此时我们只需点击“开启”,就能大幅提供内存的读写性能,白嫖一波内存性能。
我简单测试了一下,同一套内存,在其余设置不变的情况下,启用技嘉主板的高频宽模式之后,内存的读、写、拷贝带宽分别提升了8.7%、10.8%和9.1%,同时延迟也下降了9.2%,性能提升幅度非常明显。
![]()
性能实测
![]()
这里为了给大家提供更好的对比效果,我在BIOS里开启技嘉的PBO Enhancement功能,档位设置为90 Level 3,然后和未开启PBO Enhancement下的默认状态进行测试对比。
使用CPU-Z进行可以看到,无论是否开启PBO Enhancement,CPU单核得分均为885左右;不过开启PBO Enhancement后,多核得分由12873.2提高到了13577.1,性能提升幅度为5.46%。
![]()
在3DMAKR的CPU Profile基准测试中,开启PBO Enhancement后单核得分依然基本没啥变化,而最大线程得分由13537提高到了14396,多核性能提升幅度为6.34%。
![]()
在压缩软件7-zip中,开启PBO Enhancement后压缩得分由161.56 GiPS提高到165.955 GiPS,性能高了2.72%;解压缩得分由183.021 GiPS提高到190.229 GiPS,性能高出3.93%。
![]()
在CPU性能测试必备的Cinebench R23中,开启PBO Enhancement后多核得分由31965提高到34053,性能提升6.53%;单核得分由2252提高到2267,基本可以视为测试误差。
![]()
在Cinebench 2024中,开启PBO Enhancement后多核得分由1777提高到1838,性能提升3.43%;单核得分基本无变化。
![]()
接下来我们试试几款游戏,由于篇幅所限,就不对比测试1080P下的帧数了,只是为大家展示这套平台在配置拉满的情况下到底有何性能表现。
在国产3A大作之光《黑神话:悟空》自带的性能测试中,2K分辨率下,使用影视级预设+75% FSR的设置,帧数均为63帧左右。当然黑猴子这款游戏是有多少GPU性能都能给你吃满的,实际游玩时我们稍微把个别参数降到“高”档位,就能大幅提升游戏帧数。
![]()
在《地平线5》中,使用2K分辨率极端画质预设,测得平均帧数为190帧,这下可以说畅玩高刷了。
![]()
在FPS网游CS2中,测得2K分辨率+最高画质预设,测得开启PBO Enhancement后,平均帧由322提高到348,并且1% LOW帧也从183.7提高到197.1。
![]()
最后,在室温23℃的情况下使用AIDA64对这套开放式测试平台进行45分钟的单拷FPU测试,此时9900X的功耗只有137W左右,CPU二极管温度为68℃,相当凉快。
![]()
总结
![]()
技嘉X870E AORUS MASTER 超级雕作为当前AMD阵营的旗舰级主板,还是符合我的心理预期的,在做工用料依然扎实的同时,亮点也很不少:
供电方案升级至16+2+2路110A Dr.MOS,通吃所有AM5接口CPU
对高频内存支持更佳,支持内存超频至8600 MT/s,更有D5内存高频宽黑科技加持
双USB4接口和5Gbps网口的加入,带来了更加快速的数据传输体验
WiFi 7天线、M.2插槽和显卡的快易拆设计带来了更为简便的安装体验
提供了3个直通CPU的PCIe5.0 M.2插槽+1个PCIe4.0 M.2插槽,SSD爱好者狂喜
四年超长质保服务,使用无忧
总而言之,技嘉X870E AORUS MASTER超级雕主板是全新的AMD 锐龙9000系列处理器绝配,除了价格还真挑不出多少毛病,完全可以满足玩家对高端主板的期待,很适合预算充足的老铁在装机时选择。
更多游戏资讯请关注:电玩帮游戏资讯专区
电玩帮图文攻略 www.vgover.com
